The CR3 경제 태양열 레일 재질 알루미늄 AL6005 - T5, 적합 for 그만큼 태양 광 옥상 시스템 장착 함께 작은 바람 speed.Easy for 설치, 길이 가능 per 로 사용자 정의 프로젝트 요구 사항.
풍모
단 7 일 for 생산
10 - 12um 전면 아노다이징
길이 가능 맞춤형
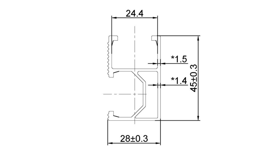
그림

제품 번호.:
KS-CR3지불:
T/T,L/C제품 원산지:
China색깔:
Silver, Black배송 포트:
Xiamen리드 타임:
7 days10 - 12um 전면 아노다이징
길이 가능 맞춤형
그림

관련 제품 you 관심이있을 수 있습니다 ...